首页
伤感说说
动漫配图
心情说说
抖音文案
伤感图片
伤感说说:
伤感的句子说说心情
空间说说
心情说说
爱情说说
女生伤感说说
人生感悟
心情不好的说说
说说带图片
关于生活的说说
说说心情短语
qq空间说说带图片
个性说说
励志名言
一句话经典语录
感悟人生的经典句子
短句吧
情感故事
抖音文案
伤感图片:
伤感图片带字
非主流伤感图片
唯美伤感图片
女生伤感图片
唯美意境图片
悲伤的图片
唯美意境伤感图片
只有字的伤感图片
说说图片
伤心的图片
美甲图片
图片大全
情感图片
微信头像男
动态壁纸
动漫配图
伤感图片
首页
>
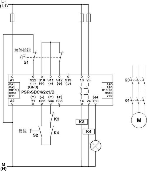
急停开关原理图
急停开关原理图,急停开关结构图解
双通道急停监视电路图
图中sb1是急停按钮
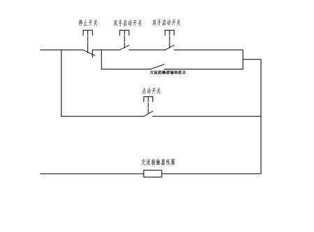
求冲床两个双手启动开关一个点动开关和急停按钮接线图
急停按钮 电路图
急停按钮接线图.doc
更多推荐
急停开关结构图解
急停开关内部结构图
急停开关实物接线图
双控开关原理图
原理图工作原理
一开多控开关接线图
开关接线图
三控开关接线图
多控开关接线图
双控开关接线图
双速电机接线图原理图
液压原理图
原理图
单开双控开关接线图解
电气原理图
l298n原理图
鼓刹原理图
放大电路原理图
简单原理图
三控一灯开关接线图
原理图实物
9013引脚图和原理图
ad原理图
双联双控开关接线图
pcb原理图
plc接线原理图
整流桥的作用和原理图
单片机原理图
开关怎么接线
开关图标