首页
伤感说说
动漫配图
心情说说
抖音文案
伤感图片
伤感说说:
伤感的句子说说心情
空间说说
心情说说
爱情说说
女生伤感说说
人生感悟
心情不好的说说
说说带图片
关于生活的说说
说说心情短语
qq空间说说带图片
个性说说
励志名言
一句话经典语录
感悟人生的经典句子
短句吧
情感故事
抖音文案
伤感图片:
伤感图片带字
非主流伤感图片
唯美伤感图片
女生伤感图片
唯美意境图片
悲伤的图片
唯美意境伤感图片
只有字的伤感图片
说说图片
伤心的图片
美甲图片
图片大全
情感图片
微信头像男
动态壁纸
动漫配图
伤感图片
首页
>
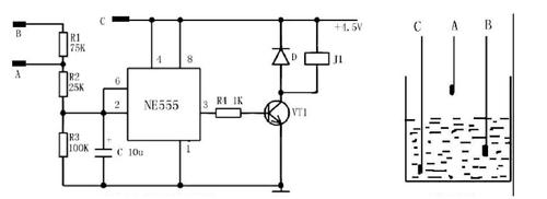
三线水位开关原理图
三线水位开关原理图,三线水位探头的接线图
水位控制电路图水位控制器原理
水位开关应用原理图
水位传感器的原理图
水位报警器电路图
全自动洗衣机水位开关原理及水位传感器工作原理
更多推荐
三线水位探头的接线图
水位传感器3根接线图
三线水位开关接线图
三线水位探头的安装图
三相三线接线原理图
水位浮球开关接线图
三线水位传感器接线图
三线水位传感器原理图
三线浮球开关接线图解
电熄火开关三线接线图
24v三线熄火开关原理图
水位开关接线
三线点火线圈原理图
水位上下限位接线图
二线水位传感器原理图
两线水位传感器原理图
水位开关图片
三线水温传感器原理图
浮球液位开关原理图解
水浮子水位控制开关
三线闪光器原理图
水位控制器开关连接图
三线熄火电磁阀原理图
三相三线正确接线图片
三相三线电能表接线图
水位传感器原理图
水位开关
水位浮球开关
水箱水位开关
水位控制器开关