首页
伤感说说
动漫配图
心情说说
抖音文案
伤感图片
伤感说说:
伤感的句子说说心情
空间说说
心情说说
爱情说说
女生伤感说说
人生感悟
心情不好的说说
说说带图片
关于生活的说说
说说心情短语
qq空间说说带图片
个性说说
励志名言
一句话经典语录
感悟人生的经典句子
短句吧
情感故事
抖音文案
伤感图片:
伤感图片带字
非主流伤感图片
唯美伤感图片
女生伤感图片
唯美意境图片
悲伤的图片
唯美意境伤感图片
只有字的伤感图片
说说图片
伤心的图片
美甲图片
图片大全
情感图片
微信头像男
动态壁纸
动漫配图
伤感图片
首页
>
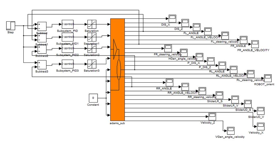
画出系统的状态变量图
画出系统的状态变量图,状态变量图画图步骤
取输入数据为输入变量,用x表示;取检测结果为输出变量,用y表示.
adams中创建输入输出状态变量后,怎么与控制对象的实际变量关联?
状态变量在某一确定时刻t0的值,即为系统在时刻t0的状态().
o口,中断系统,定时器/计数器等工作状态的设置,系统变量赋初值等工作
系统状态变量图
更多推荐
状态变量图画图步骤
状态变量图怎么画
状态变量图
系统类图怎么画
系统用例图怎么画
五变量卡诺图怎么画
三变量卡诺图怎么画
六变量卡诺图怎么画
四变量卡诺图怎么画
系统er图怎么画
销售系统用例图怎么画
系统流程图怎么画
画一个社会支持系统图
社会支持系统图怎么画
社工生态系统图怎么画
手绘伯德图的画法例题
画uml类图例题
bode图的画法例题
用visio画用例图小人
ER图画法及例题
数据流程图怎么画
word用例图小人怎么画
数据流图怎么画
业务流程图画法步骤
bode图怎么画
社会支持网络图怎么画