首页
伤感说说
动漫配图
心情说说
抖音文案
伤感图片
伤感说说:
伤感的句子说说心情
空间说说
心情说说
爱情说说
女生伤感说说
人生感悟
心情不好的说说
说说带图片
关于生活的说说
说说心情短语
qq空间说说带图片
个性说说
励志名言
一句话经典语录
感悟人生的经典句子
短句吧
情感故事
抖音文案
伤感图片:
伤感图片带字
非主流伤感图片
唯美伤感图片
女生伤感图片
唯美意境图片
悲伤的图片
唯美意境伤感图片
只有字的伤感图片
说说图片
伤心的图片
美甲图片
图片大全
情感图片
微信头像男
动态壁纸
动漫配图
伤感图片
首页
>
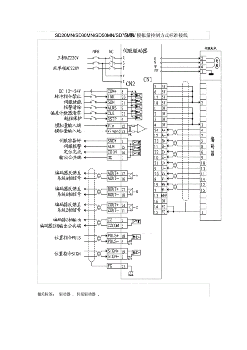
驱动器接线图
驱动器接线图,三菱驱动器接线图
实例讲解|plc与步进驱动器如何连接?
伺服驱动器接线原理图pdf10页
伺服驱动器控制模式的接线及其注意事项
伺服驱动器的接线与基本控制
两相步进电机驱动器原理图接线图-步进电机驱动器接线端说明
更多推荐
三菱驱动器接线图
松下驱动器接线图
伺服控制器接线图
伺服电机驱动器接线
a4988驱动器接线图
伺服驱动器接线图图解
三色驱动器接线图
伺服驱动器实物接线图
洪阳驱动器接线图
步进驱动器接线图
伺服驱动器接线
步进驱动器接线图说明
三色灯驱动器接线图
伺服电机实物接线图
汇川伺服驱动器接线图
伺服驱动器接线图
接触器接线图
步进驱动器接线
交流接触器接线图
伺服驱动器外部接线图
步进电机驱动器接线图
继电器接线图
松下伺服驱动器接线图
220v伺服驱动器接线图
驱动器图片
plc与伺服驱动器接线图
伺服电机接线图图解
usb接口接线图
开关接线图
步进电机接线图图解