首页
伤感说说
动漫配图
心情说说
抖音文案
伤感图片
伤感说说:
伤感的句子说说心情
空间说说
心情说说
爱情说说
女生伤感说说
人生感悟
心情不好的说说
说说带图片
关于生活的说说
说说心情短语
qq空间说说带图片
个性说说
励志名言
一句话经典语录
感悟人生的经典句子
短句吧
情感故事
抖音文案
伤感图片:
伤感图片带字
非主流伤感图片
唯美伤感图片
女生伤感图片
唯美意境图片
悲伤的图片
唯美意境伤感图片
只有字的伤感图片
说说图片
伤心的图片
美甲图片
图片大全
情感图片
微信头像男
动态壁纸
动漫配图
伤感图片
首页
>
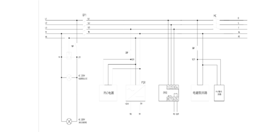
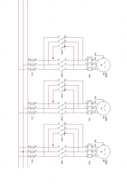
立体车库电气原理图
立体车库电气原理图,立体车库原理图
3层7车位升降横移类立体车库电气原理图
(褐色部分是土地以下) 该设计目的是让升降横移式立体车库在原有的
基于s7-200的全自动控制立体车库模型
基于plc的立体车库控制系统设计
基于plc的立体车库控制系统设计
更多推荐
立体车库原理图
立体车库原理动态图
立体车库图片设计图
立体车库图片效果图
电气原理图
立体车库平面图
立体车库概念图
立体车库设计图
立体车库效果图
立体车库图片
原理图工作原理
电气原理图符号大全
立体车库图片外观
双速电机接线图原理图
立体车库结构
家用立体车库
立体车库
简易立体车库
智能立体车库
双层立体车库
室外立体车库
立体车库外观
地下立体车库
垂直循环式立体车库
中国立体车库10强
国外立体车库
l298n原理图
电气接线图
原理图
深圳怡丰立体车库