首页
伤感说说
动漫配图
心情说说
抖音文案
伤感图片
伤感说说:
伤感的句子说说心情
空间说说
心情说说
爱情说说
女生伤感说说
人生感悟
心情不好的说说
说说带图片
关于生活的说说
说说心情短语
qq空间说说带图片
个性说说
励志名言
一句话经典语录
感悟人生的经典句子
短句吧
情感故事
抖音文案
伤感图片:
伤感图片带字
非主流伤感图片
唯美伤感图片
女生伤感图片
唯美意境图片
悲伤的图片
唯美意境伤感图片
只有字的伤感图片
说说图片
伤心的图片
美甲图片
图片大全
情感图片
微信头像男
动态壁纸
动漫配图
伤感图片
首页
>
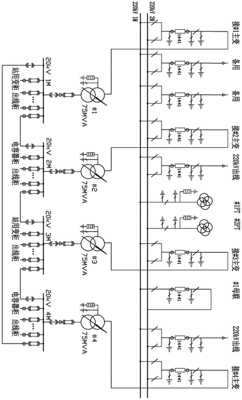
35kv变电站主接线图
35kv变电站主接线图,35kv变电站二次接线图
35kv综合自动化变电所一次系统图pdf1页
一种变电站低压侧的接线结构的制作方法
60∕10kv二次降压变电所电气初步设计
上海35kv变电所及办公塔楼电气系统图
a3-台山二次变电所主接线图
更多推荐
35kv变电站二次接线图
35kv变电站设计
35千伏变电站
变电站主接线图
变电站工作原理图解
35kv变电站一次接线图
500kv变电站主接线图
220kv变电站主接线图
110kv变电站主接线图
变电站电气主接线图
变电站主接线图讲解
500kV变电站一次接线图
变电站二次接线图图解
35kv变电站设备图解
变电站接线图
35kv变电站图纸讲解
35kv变电站布置图
35kv变电站一次系统图
35kv变电站
变电站接线图符号
35kv变电站设计图纸
220kv变电站图纸详解
变电站变压器
35kv变电站平面布置图
10kv变电站
220kv变电站
110kv变电站
10kv主接线图
110kv变电站一次图讲解
变电站示意图