首页
伤感说说
动漫配图
心情说说
抖音文案
伤感图片
伤感说说:
伤感的句子说说心情
空间说说
心情说说
爱情说说
女生伤感说说
人生感悟
心情不好的说说
说说带图片
关于生活的说说
说说心情短语
qq空间说说带图片
个性说说
励志名言
一句话经典语录
感悟人生的经典句子
短句吧
情感故事
抖音文案
伤感图片:
伤感图片带字
非主流伤感图片
唯美伤感图片
女生伤感图片
唯美意境图片
悲伤的图片
唯美意境伤感图片
只有字的伤感图片
说说图片
伤心的图片
美甲图片
图片大全
情感图片
微信头像男
动态壁纸
动漫配图
伤感图片
首页
>
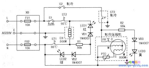
沁园饮水机电路图
沁园饮水机电路图,沁园净水机说明书图解
沁园饮水机电路图
沁园牌yr-16型即热式饮水机原理分析
关于沁园一款饮水机内部故障问题.附有电路图.
饮水机电路图
沁园qy03-1all冷/热饮水机电路工作原理
更多推荐
沁园净水机说明书图解
饮水机电路图
净水机电路接线图
饮水机电路图原理图
普通饮水机电路图
家用饮水机电路图
沁园饮水机图解
沁园饮水机烧水步骤
沁园饮水机接水杯
沁园老式饮水机
沁园饮水机
沁园饮水机图片大全
沁园饮水机说明书图解
老款沁园饮水机
饮水机电路控制原理图
沁园饮水机使用说明
沁园饮水机使用教程
饮水机电源线接线图
沁园饮水机价格及图片
沁园饮水机配件大全
饮水机指示三灯电路图
饮水机线路图解
沁园饮水机维修网点
饮水机内部接线图
家用饮水机接线图
沁园立式饮水机说明书
家用饮水机线路图解
饮水机接线图方法
茶吧机电源板电路图
沁园饮水机型号大全