首页
伤感说说
动漫配图
心情说说
抖音文案
伤感图片
伤感说说:
伤感的句子说说心情
空间说说
心情说说
爱情说说
女生伤感说说
人生感悟
心情不好的说说
说说带图片
关于生活的说说
说说心情短语
qq空间说说带图片
个性说说
励志名言
一句话经典语录
感悟人生的经典句子
短句吧
情感故事
抖音文案
伤感图片:
伤感图片带字
非主流伤感图片
唯美伤感图片
女生伤感图片
唯美意境图片
悲伤的图片
唯美意境伤感图片
只有字的伤感图片
说说图片
伤心的图片
美甲图片
图片大全
情感图片
微信头像男
动态壁纸
动漫配图
伤感图片
首页
>
17款轩逸油泵电路图
17款轩逸油泵电路图,17款新捷达电路图
20162018款日产轩逸原厂维修及电路图手册下载
20122013款东风日产轩逸16l18l原厂维修及电路图手册
东风日产轩逸自动变速器电路图
2012款东风日产新轩逸电路图-车身控制单元相关电路图
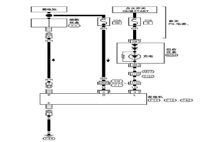
帕萨特充电系电路 日产颐达,轩逸轿车充电系统电路
更多推荐
17款新捷达电路图
轩逸发电机皮带拆卸图
轩逸发电机皮带走法图
新轩逸发电机皮带绕图
17款轩逸图片
电路图图解
17款轩逸皮带安装图片
开关电源电路图及原理
江铃edc17c55电路图
电路图讲解和实物图
17轩逸皮带怎么安装图
18款轩逸皮带安装图片
最简单10个电路图
17年轩逸图片
2017款日产轩逸图片
简单电路图
轩逸图解
日产轩逸17款经典款
17年日产轩逸图片
电路图
17款轩逸
dh321应用电路图
轩逸2021款报价及图片
串联电路图
并联电路图
日产轩逸皮带安装图解
电路图实物
18款轩逸
日产轩逸17款
正反转控制电路图