首页
伤感说说
动漫配图
心情说说
抖音文案
伤感图片
伤感说说:
伤感的句子说说心情
空间说说
心情说说
爱情说说
女生伤感说说
人生感悟
心情不好的说说
说说带图片
关于生活的说说
说说心情短语
qq空间说说带图片
个性说说
励志名言
一句话经典语录
感悟人生的经典句子
短句吧
情感故事
抖音文案
伤感图片:
伤感图片带字
非主流伤感图片
唯美伤感图片
女生伤感图片
唯美意境图片
悲伤的图片
唯美意境伤感图片
只有字的伤感图片
说说图片
伤心的图片
美甲图片
图片大全
情感图片
微信头像男
动态壁纸
动漫配图
伤感图片
首页
>
老式收音机电路图
老式收音机电路图,老式收音机功放电路图
单管收音机电路图解析
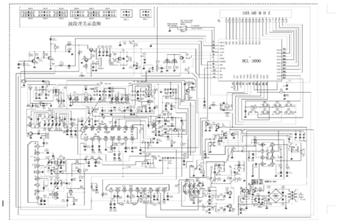
德生bcl3000收音机的电路图免费下载
收音机电路图资料 红灯735型收音机电路图【不是753】
超外差收音机电路图大全
美多28a晶体管收音机
更多推荐
老式收音机功放电路图
六管收音机电路图
老式电台电路图
收音机图片老式
老式电猫电路图
老式折弯机电路图
7个电容电老鼠电路图
老式充电器电路图
老式收音机
老式逆变器电路图
老式铣床电路图
老式液压剪切机电路图
老式鳄鱼剪切机电路图
折弯机配电箱电路图
收音机图标图片
10管老式逆变器电路图
折弯机电路图
自制高压电猫电路图
收音机图片
电路图图解
电路图讲解和实物图
开关电源电路图及原理
电子管收音机
收音机内部
电路图
正反转控制电路图
收音机图片素材
电路图实物
逆变器电路图
单管逆变器电路图