首页
伤感说说
动漫配图
心情说说
抖音文案
伤感图片
伤感说说:
伤感的句子说说心情
空间说说
心情说说
爱情说说
女生伤感说说
人生感悟
心情不好的说说
说说带图片
关于生活的说说
说说心情短语
qq空间说说带图片
个性说说
励志名言
一句话经典语录
感悟人生的经典句子
短句吧
情感故事
抖音文案
伤感图片:
伤感图片带字
非主流伤感图片
唯美伤感图片
女生伤感图片
唯美意境图片
悲伤的图片
唯美意境伤感图片
只有字的伤感图片
说说图片
伤心的图片
美甲图片
图片大全
情感图片
微信头像男
动态壁纸
动漫配图
伤感图片
首页
>
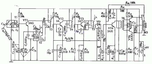
六管收音机电路图
六管收音机电路图,六管收音机安装图解
六管超外差式收音机电路原理图讲解
我想学习9018六管超外差式收音机的电路图,好多地方看
[转载]山茶j611a型六管半导体收音机电路图
六管收音机电路图am radio
简析六管收音机电路图
更多推荐
六管收音机安装图解
六管收音机电路图讲解
收音机电路图
六管收音机
收音机电路图讲解
收音机图标图片
电子管收音机
收音机图片老式
电路图讲解和实物图
电路图图解
收音机图片
开关电源电路图及原理
电路图
收音机内部
老式收音机
电路图实物
正反转控制电路图
电路图入门
收音机图片素材
简单电路图
串联电路图
并联电路图
收音机
车载收音机按键图解
电路图怎么画
电路图设计
点动控制电路图
互锁电路图
收音机图片简笔画
最简单10个电路图