首页
伤感说说
动漫配图
心情说说
抖音文案
伤感图片
伤感说说:
伤感的句子说说心情
空间说说
心情说说
爱情说说
女生伤感说说
人生感悟
心情不好的说说
说说带图片
关于生活的说说
说说心情短语
qq空间说说带图片
个性说说
励志名言
一句话经典语录
感悟人生的经典句子
短句吧
情感故事
抖音文案
伤感图片:
伤感图片带字
非主流伤感图片
唯美伤感图片
女生伤感图片
唯美意境图片
悲伤的图片
唯美意境伤感图片
只有字的伤感图片
说说图片
伤心的图片
美甲图片
图片大全
情感图片
微信头像男
动态壁纸
动漫配图
伤感图片
首页
>
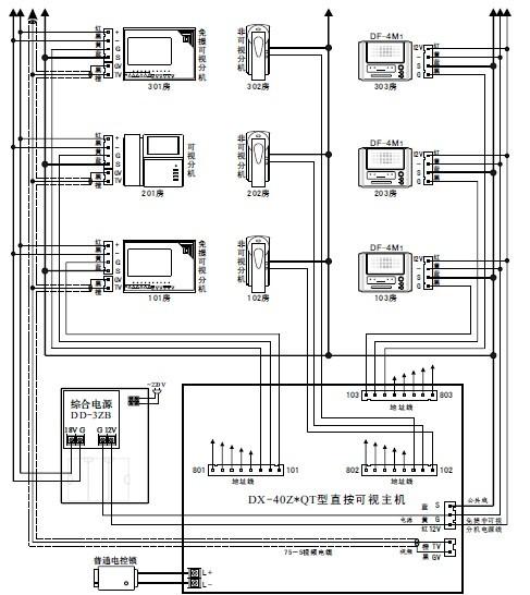
楼宇对讲接线
楼宇对讲接线,楼宇对讲接线图 4线
楼宇对讲系统接线图
楼宇对讲非可视小区单元门禁系统家用室内对讲机分机对讲门铃系统
602evrc使用说明v10狄耐克楼宇对讲使用说明
楼宇对讲系统图接线说明
永安 直按式2/3/4/5/6户楼宇对讲门铃主机ya98zad 门口机 外机
更多推荐
楼宇对讲接线图 4线
老式二线门铃接线图
可视楼宇对讲接线图
楼宇对讲接线图图解
老式楼宇对讲机接线图
楼宇对讲可视对讲接线
楼宇对讲可视对讲
楼宇对讲接线图
楼宇对讲四线接线图
楼宇对讲接线图4线
广松楼宇对讲接线图
松佳楼宇对讲接线图
楼宇对讲接线图室内
楼宇对讲机五线接线图
楼宇对讲线路图
广松楼宇对讲
二线楼宇对讲机接线图
可视楼宇对讲接线图解
楼宇对讲
狄耐克楼宇对讲接线图
楼宇对讲系统接线图解
四线对讲门铃接线图
耀达楼宇对讲机接线图
楼宇对讲电话机接线图
楼宇对讲门
四线对讲门铃接线教程
威视安楼宇对讲接线图
狄耐克楼宇对讲
耀达楼宇对讲
楼宇对讲门口机