首页
伤感说说
动漫配图
心情说说
抖音文案
伤感图片
伤感说说:
伤感的句子说说心情
空间说说
心情说说
爱情说说
女生伤感说说
人生感悟
心情不好的说说
说说带图片
关于生活的说说
说说心情短语
qq空间说说带图片
个性说说
励志名言
一句话经典语录
感悟人生的经典句子
短句吧
情感故事
抖音文案
伤感图片:
伤感图片带字
非主流伤感图片
唯美伤感图片
女生伤感图片
唯美意境图片
悲伤的图片
唯美意境伤感图片
只有字的伤感图片
说说图片
伤心的图片
美甲图片
图片大全
情感图片
微信头像男
动态壁纸
动漫配图
伤感图片
首页
>
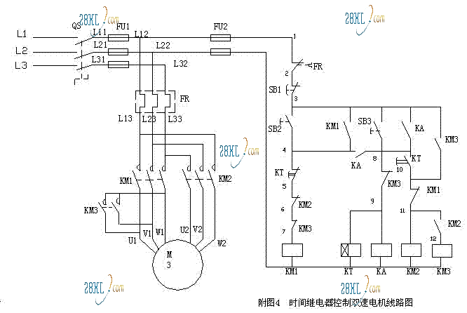
双速电机原理
双速电机原理,双速电机接线图原理
双速电机原理图
双速电动机控制电路如图:说明电机工作状况;以flex-pc
1.双速异步电动机调速控制电路
2种双速电机控制电路详解,双速调节,简单易上手,干货!
双速电机的接法及控制电路:请参考
更多推荐
双速电机接线图原理
双速电机工作原理
双速电机接线图原理图
双速电机6根线怎么接
双速电机实物接线图
双速开关高低速接线图
双速电机电路图
双速电机接线
双速电机6头380v接线图
双速电机控制原理图
双速电机高低速电路图
双速电机
双速电机控制
双速电机铭牌
电动机原理
双速电机接线图
发电机原理
双速电机怎么接线
双速风机工作原理图
双速风机接线
双速风机控制箱原理图
双速风机
双速风机接线图
开关电源电路图及原理
消防双速风机
电机接线方法
三相电机
单相电机
无刷电机
直流无刷电机