首页
伤感说说
动漫配图
心情说说
抖音文案
伤感图片
伤感说说:
伤感的句子说说心情
空间说说
心情说说
爱情说说
女生伤感说说
人生感悟
心情不好的说说
说说带图片
关于生活的说说
说说心情短语
qq空间说说带图片
个性说说
励志名言
一句话经典语录
感悟人生的经典句子
短句吧
情感故事
抖音文案
伤感图片:
伤感图片带字
非主流伤感图片
唯美伤感图片
女生伤感图片
唯美意境图片
悲伤的图片
唯美意境伤感图片
只有字的伤感图片
说说图片
伤心的图片
美甲图片
图片大全
情感图片
微信头像男
动态壁纸
动漫配图
伤感图片
首页
>
蒸汽电熨斗接线图
蒸汽电熨斗接线图,老式红心电熨斗接线图
吊瓶式蒸汽熨斗家用工业电热蒸汽烫斗 300l es 原装韩国银星
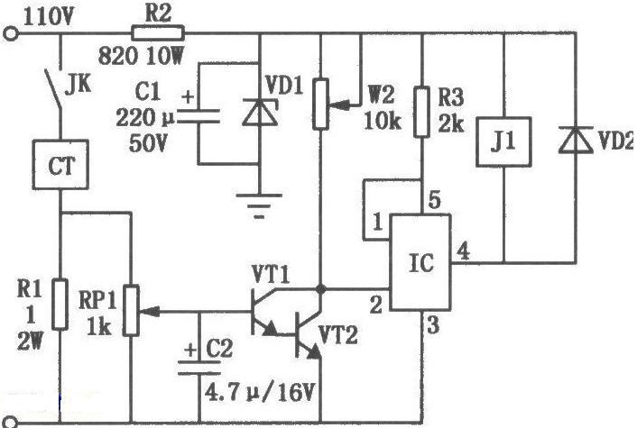
蒸汽熨斗自动保护电路原理图_电路图
红心牌yk9-70q喷雾型蒸汽电熨斗电路图
另一条蒸汽管控制回水,排冷却水); 产品特点: 不用插电,直接锅炉蒸汽
飞利浦蒸汽电熨斗 gc1720
更多推荐
老式红心电熨斗接线图
蒸汽电熨斗后面接线图
电熨斗接线图
电熨斗线路连接图
吊瓶电熨斗线盒接线图
吊瓶蒸汽电熨斗接线图
老式电熨斗后面接线图
电熨斗蒸汽按钮图解
红心电熨斗维修拆解图
蒸汽电熨斗拆卸图解
蒸汽熨斗电路图纸
挂烫机内部电路原理图
电熨斗接线方法图解
调温电熨斗接线图
电熨斗后面接线图
电熨斗电路图
蒸汽式电熨斗电路图
吊瓶电熨斗接线图
电熨斗内部接线
老式电熨斗内部接线图
蒸汽电熨斗内部结构图
蒸汽电熨斗拆卸图教程
蒸汽电熨斗拆卸肢解图
蒸汽电熨斗价格及图片
蒸汽熨斗构造图
蒸汽挂烫机开关接线图
蒸汽挂烫机原理接线图
电熨斗结构图
电熨斗熨衣服图片
电熨斗工作原理图解