rs485引脚图,rs485接口引脚图

图1.s7-200 smart cpu 集成 rs485 端口的引脚分配

rs485接口芯片的引脚图免费下载

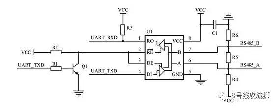
rs485自收发实现方案,典型应用电路及问题经验总结
rs232与rs485谁才是uart中的高速公路
这个485的接口接线 引脚是接3脚和8脚吗
- rs485接口引脚图
- rs485九针接口引脚图
- rs触发器引脚图
- max485引脚图及功能
- 基本rs触发器引脚图
- rs485通讯接线图
- rs232转485接线图
- rs触发器引脚排列图
- rs485接口定义图
- rs485接口详细接线图
- rs485
- 9针串口rs485接线图
- rs485串口9针接线图
- 485实物接线图
- rs422串口接线图
- rs485芯片
- rs485接口
- 485通讯接线图
- max487引脚功能图
- RS485接口详细接线图
- rs232串口接线图
- rs485水晶头接线图解
- max485典型电路图
- 485接口图片
- 485通讯接线图方法
- 485通讯接线图AB
- 9针485接口详细接线图
- 485通讯9针串口接线图
- max485芯片电路图
- 485通讯2芯线接线图
