首页
伤感说说
动漫配图
心情说说
抖音文案
伤感图片
伤感说说:
伤感的句子说说心情
空间说说
心情说说
爱情说说
女生伤感说说
人生感悟
心情不好的说说
说说带图片
关于生活的说说
说说心情短语
qq空间说说带图片
个性说说
励志名言
一句话经典语录
感悟人生的经典句子
短句吧
情感故事
抖音文案
伤感图片:
伤感图片带字
非主流伤感图片
唯美伤感图片
女生伤感图片
唯美意境图片
悲伤的图片
唯美意境伤感图片
只有字的伤感图片
说说图片
伤心的图片
美甲图片
图片大全
情感图片
微信头像男
动态壁纸
动漫配图
伤感图片
首页
>
交流电机电路图
交流电机电路图,交流电机工作原理图
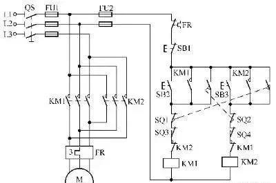
4.三相交流电动机自动往返 过限位保护电路
百度爱采购首页 商品专题_电动机电路 交流接触器km△线圈得电.
单相交流异步电机的启动电容和运行电容的作用是什么?
急需三相交流接触器的接法,请教高手
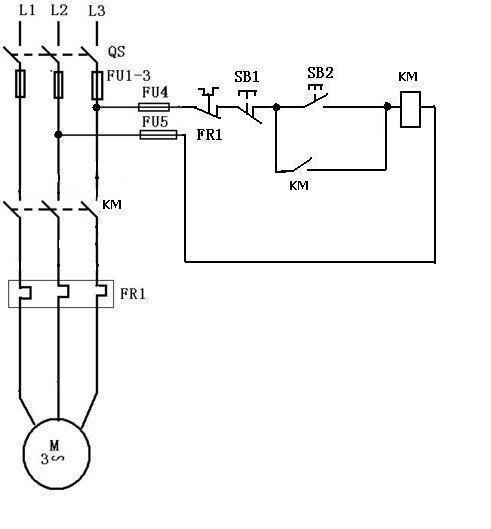
交流220v电动机正反转线圈怎么接线?有图吗?
更多推荐
交流电机工作原理图
电动车用交流电机
交流电机工作原理图解
交流电机与直流电机
交流电机正反转电路图
交流电机图片
交流电机接线图
交流电机电容接线图
交流电机接线
交流电机
交流电机绕组
无刷交流电机
电路图图解
三相交流电机
并励交流电机原理图
单相交流电机
交流电机碳刷
串励交流电机原理图
交流电机结构图解
交流电机接线盒
交流电机控制器
串励式交流电机
交流电机正反转
电路图
并联电路图
电路图实物
交流电机控制器接线图
交流电机正反转接线图
串联电路图
互锁电路图