首页
伤感说说
动漫配图
心情说说
抖音文案
伤感图片
伤感说说:
伤感的句子说说心情
空间说说
心情说说
爱情说说
女生伤感说说
人生感悟
心情不好的说说
说说带图片
关于生活的说说
说说心情短语
qq空间说说带图片
个性说说
励志名言
一句话经典语录
感悟人生的经典句子
短句吧
情感故事
抖音文案
伤感图片:
伤感图片带字
非主流伤感图片
唯美伤感图片
女生伤感图片
唯美意境图片
悲伤的图片
唯美意境伤感图片
只有字的伤感图片
说说图片
伤心的图片
美甲图片
图片大全
情感图片
微信头像男
动态壁纸
动漫配图
伤感图片
首页
>
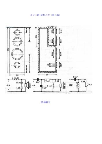
二分频音箱制作图纸
二分频音箱制作图纸,二分频音箱图纸
5寸hifi倒相式带二阶二分频器书架音箱diy测试pk欧洲箱套件推荐
惠威音箱图纸.doc
奉献一款二分频落地音箱图纸
q3b 2pcs 音箱面网插件: 8套 音箱标牌: 2pcs 倒相管: 2pcs 分频
三分频落地空箱/高中低3分频8寸diy落地箱/可按客人喇叭开孔商品图片
更多推荐
二分频音箱图纸
惠威8寸音箱制作图纸
三分频音箱制作全过程
10寸音箱箱体尺寸图
自制二分频器电路图
5寸二分频音箱图纸
三分频音箱制作图纸
二分频音箱箱体设计图
惠威音箱图纸
自制音箱构造图
8寸落地音箱制作图纸
6.5寸音箱制作图纸
惠威8寸落地音箱图纸
10寸3分频音箱箱体尺寸
迷宫音箱箱体设计图
经典二分频器电路图
三分频音箱图纸
8寸三分频音箱图纸
惠威三分频音箱图纸
三分频书架大音箱图纸
10寸三分频音箱图纸
12寸三分频音箱图纸
8寸书架音箱制作图纸
12寸全频音箱制作图纸
惠威10寸音箱制作图纸
音箱制作过程全程图解
三分频音箱内部结构图
三分频落地音箱设计图
三分频音箱设计
8寸三分频音箱DIY