首页
伤感说说
动漫配图
心情说说
抖音文案
伤感图片
伤感说说:
伤感的句子说说心情
空间说说
心情说说
爱情说说
女生伤感说说
人生感悟
心情不好的说说
说说带图片
关于生活的说说
说说心情短语
qq空间说说带图片
个性说说
励志名言
一句话经典语录
感悟人生的经典句子
短句吧
情感故事
抖音文案
伤感图片:
伤感图片带字
非主流伤感图片
唯美伤感图片
女生伤感图片
唯美意境图片
悲伤的图片
唯美意境伤感图片
只有字的伤感图片
说说图片
伤心的图片
美甲图片
图片大全
情感图片
微信头像男
动态壁纸
动漫配图
伤感图片
首页
>
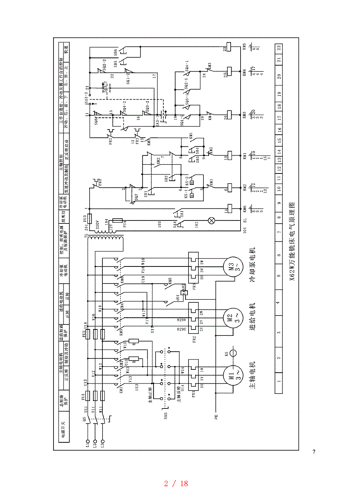
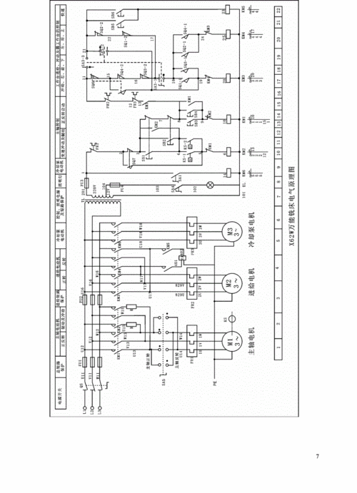
x62w型万能铣床接线图
x62w型万能铣床接线图,x62w型万能铣床电路图
x62w型万能铣床电气实训考核装置
x62w万能铣床
x62w万能铣床电气原理图学习pdf18页
求一x62w卧式万能铣床电气控制cad接线图邮箱274260711qqcom
x62w万能铣床电气原理图机床doc18页
更多推荐
x62w型万能铣床电路图
x62w万能铣床电路图
x62w型万能铣床图纸
x62w型万能铣床结构图
x62w型万能铣床
x62w型万能铣床说明书
万能铣床x6132电路图
铣床开关6线接线图
x6132型万能铣床装配图
x62w型万能铣床介绍
x62w型万能铣床多重
x62w万能铣床说明书
铣床开关接线图
x62w万能铣床参数
普通铣床开关接线图
铣床组合开关接线图
铣床开关接线实物图
铣床快慢开关接线图
万能铣床电路图
铣床正反转开关接线图
万能铣床型号
x62w铣床详细结构图
卧式万能铣床
铣床控制线路图
铣床电磁离合器接线图
万能铣床
铣床x62w
铣床双速电机开关接线
北京万能铣床
老式铣床电路图