首页
伤感说说
动漫配图
心情说说
抖音文案
伤感图片
伤感说说:
伤感的句子说说心情
空间说说
心情说说
爱情说说
女生伤感说说
人生感悟
心情不好的说说
说说带图片
关于生活的说说
说说心情短语
qq空间说说带图片
个性说说
励志名言
一句话经典语录
感悟人生的经典句子
短句吧
情感故事
抖音文案
伤感图片:
伤感图片带字
非主流伤感图片
唯美伤感图片
女生伤感图片
唯美意境图片
悲伤的图片
唯美意境伤感图片
只有字的伤感图片
说说图片
伤心的图片
美甲图片
图片大全
情感图片
微信头像男
动态壁纸
动漫配图
伤感图片
首页
>
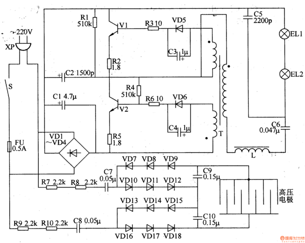
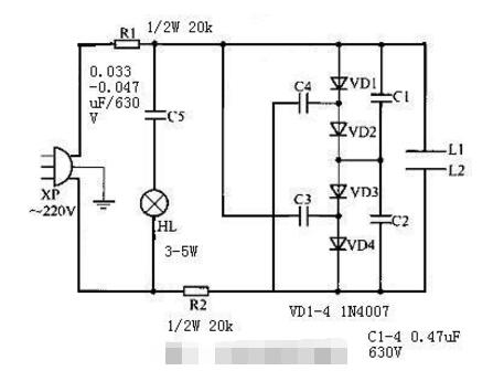
高压灭蚊器电路图
高压灭蚊器电路图,高压稳压电源电路图
led灭蚊灯电路图(八款灭蚊灯电路图分析)
求灭蚊灯电路
单管灭蚊灯电路原理图
新型紫外线灭蚊器电路图
首页 技术资料 技术资讯 电子灭蚊器-农业自动化 高压放电电极可用
更多推荐
高压稳压电源电路图
220v电子灭蚊器电路图
自制电子灭蚊器电路图
自制高压电猫电路图
高压电路图
胆机高压稳压电路图
自制高压灭鼠器电路图
高压清洗机电路图
7个电容电老鼠电路图
高压电路图符号大全图
自制高压捕鼠器电路图
220v电猫电路图
12v电猫电路图
老式电猫电路图
自制电鼠器电路图详解
老式电猫捕鼠器电路图
最简单的电猫电路图
开关电源电路图及原理
电路图图解
自制电猫电路图
电猫电路图纸
电灭蚊器
电路图讲解和实物图
自制大功率电猫电路图
电路图
并联电路图
电路图实物
串联电路图
自锁电路图
简单电路图