首页
伤感说说
动漫配图
心情说说
抖音文案
伤感图片
伤感说说:
伤感的句子说说心情
空间说说
心情说说
爱情说说
女生伤感说说
人生感悟
心情不好的说说
说说带图片
关于生活的说说
说说心情短语
qq空间说说带图片
个性说说
励志名言
一句话经典语录
感悟人生的经典句子
短句吧
情感故事
抖音文案
伤感图片:
伤感图片带字
非主流伤感图片
唯美伤感图片
女生伤感图片
唯美意境图片
悲伤的图片
唯美意境伤感图片
只有字的伤感图片
说说图片
伤心的图片
美甲图片
图片大全
情感图片
微信头像男
动态壁纸
动漫配图
伤感图片
首页
>
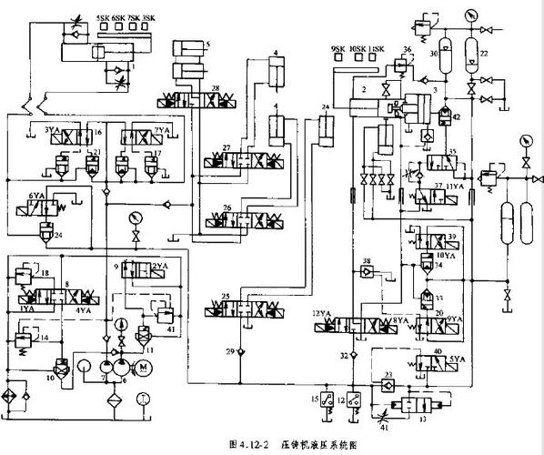
压铸机液压原理图
压铸机液压原理图,压铸机的工作原理
东芝压铸机液压回路ppt
压铸机液压系统原理图
力劲冷室压铸机液压原理分析
压铸机液压系统故障分析
注塑机液压系统原理图
更多推荐
压铸机的工作原理
液压图纸讲解
压铸机图片 工艺参数
伊之密压铸机
压铸机结构示意图
压铸机油路原理图
压铸机维修图解
压铸机图片
铝合金压铸机
压铸机开机步骤图解
液压原理图
压铸机电柜原理图
原理图工作原理
压铸机结构图
高压压铸机
压铸机机械手
液压升降机
液压弯管机
液压冲孔机
力劲压铸机图片
小型压铸机
液压打包机
双速电机接线图原理图
压铸机结构
压铸机
永动机原理图
宇部压铸机
压铸机工艺参数
idra压铸机
单片机原理图