首页
伤感说说
动漫配图
心情说说
抖音文案
伤感图片
伤感说说:
伤感的句子说说心情
空间说说
心情说说
爱情说说
女生伤感说说
人生感悟
心情不好的说说
说说带图片
关于生活的说说
说说心情短语
qq空间说说带图片
个性说说
励志名言
一句话经典语录
感悟人生的经典句子
短句吧
情感故事
抖音文案
伤感图片:
伤感图片带字
非主流伤感图片
唯美伤感图片
女生伤感图片
唯美意境图片
悲伤的图片
唯美意境伤感图片
只有字的伤感图片
说说图片
伤心的图片
美甲图片
图片大全
情感图片
微信头像男
动态壁纸
动漫配图
伤感图片
首页
>
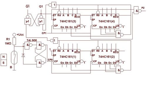
74hc161
74hc161,74HC161的引脚图
74ls161中文资料_74ls161计数器功能及其应用
mc74hc161a 可预置计数器
kk74hc161an
74hc161计数器是如何得到脉冲的?急,谢谢了各位
sl74hc161d
更多推荐
74HC161的引脚图
74HC151
74LS161
74HC161功能表
74hc151
74hc161n引脚图
74hc192
sn74hc161n引脚图
74ls161
74hc04
74hc20
74hc165引脚图及功能
74hc283
74hc390
74hc151逻辑图和真值表
74hc74引脚图
74ls190
74HC138
74hct161功能及引脚图