首页
伤感说说
动漫配图
心情说说
抖音文案
伤感图片
伤感说说:
伤感的句子说说心情
空间说说
心情说说
爱情说说
女生伤感说说
人生感悟
心情不好的说说
说说带图片
关于生活的说说
说说心情短语
qq空间说说带图片
个性说说
励志名言
一句话经典语录
感悟人生的经典句子
短句吧
情感故事
抖音文案
伤感图片:
伤感图片带字
非主流伤感图片
唯美伤感图片
女生伤感图片
唯美意境图片
悲伤的图片
唯美意境伤感图片
只有字的伤感图片
说说图片
伤心的图片
美甲图片
图片大全
情感图片
微信头像男
动态壁纸
动漫配图
伤感图片
首页
>
磁力启动器电路图
磁力启动器电路图,磁力启动器接线图
建筑电气节点图
供应电磁起动器矿用隔爆型真空电磁起动器qbz-120磁力
真空磁力启动器
磁力启动器的原理概述
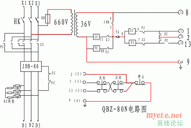
qbz-80n 防爆磁力启动器原理与维修.docx 9页
更多推荐
磁力启动器接线图
真空磁力启动器原理图
三相磁力启动器接线图
电机启动器
380v磁力启动器接线图
三相电磁力开关接线图
磁力启动器
电磁启动器
启动器接线图
冰箱启动器接线图
电路图讲解和实物图
电路图图解
星三角降压启动电路图
开关电源电路图及原理
点动控制电路图
免摇启动器分解图
并联电路图
磁力发电机
自锁电路图
电路图
冰箱启动器接线
电路图入门
冰箱启动器图片
互锁电路图
冰箱启动器安装图解
启动器
电路图实物
简单电路图
串联电路图
电路图设计