首页
伤感说说
动漫配图
心情说说
抖音文案
伤感图片
伤感说说:
伤感的句子说说心情
空间说说
心情说说
爱情说说
女生伤感说说
人生感悟
心情不好的说说
说说带图片
关于生活的说说
说说心情短语
qq空间说说带图片
个性说说
励志名言
一句话经典语录
感悟人生的经典句子
短句吧
情感故事
抖音文案
伤感图片:
伤感图片带字
非主流伤感图片
唯美伤感图片
女生伤感图片
唯美意境图片
悲伤的图片
唯美意境伤感图片
只有字的伤感图片
说说图片
伤心的图片
美甲图片
图片大全
情感图片
微信头像男
动态壁纸
动漫配图
伤感图片
首页
>
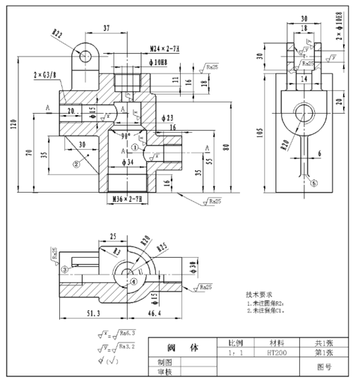
换向阀零件图
换向阀零件图,换向阀图片
图所示的阀体零件图回答下列问题
换向阀加工工艺及夹具设计
认识零件图_机械制图与测绘
阀盖 零件图-model
求cad大神帮画阀盖
更多推荐
换向阀图片
换向阀的工作原理
液压换向阀工作原理
手动换向阀
换向阀装配图
换向阀结构图
换向阀装配图与零件图
换向阀
换向阀工作原理图
换向阀阀门零件图
液压换向阀
换向阀阀体零件图
换向阀阀芯零件图
换向阀阀体零件图答案
机械制图换向阀零件图
换向阀阀体拆画零件图
阀门零件图
换向阀原理图
阀体零件图
换向阀动图
零件图装配图
换向阀装配图答案
电磁换向阀结构图
零件图三视图
泵体零件图
换向阀符号图解
气动换向阀
端盖零件图
零件图
零件图机械制图