首页
伤感说说
动漫配图
心情说说
抖音文案
伤感图片
伤感说说:
伤感的句子说说心情
空间说说
心情说说
爱情说说
女生伤感说说
人生感悟
心情不好的说说
说说带图片
关于生活的说说
说说心情短语
qq空间说说带图片
个性说说
励志名言
一句话经典语录
感悟人生的经典句子
短句吧
情感故事
抖音文案
伤感图片:
伤感图片带字
非主流伤感图片
唯美伤感图片
女生伤感图片
唯美意境图片
悲伤的图片
唯美意境伤感图片
只有字的伤感图片
说说图片
伤心的图片
美甲图片
图片大全
情感图片
微信头像男
动态壁纸
动漫配图
伤感图片
首页
>
电动机电路图
电动机电路图,初中电动机电路图
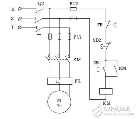
简易电机启动电路
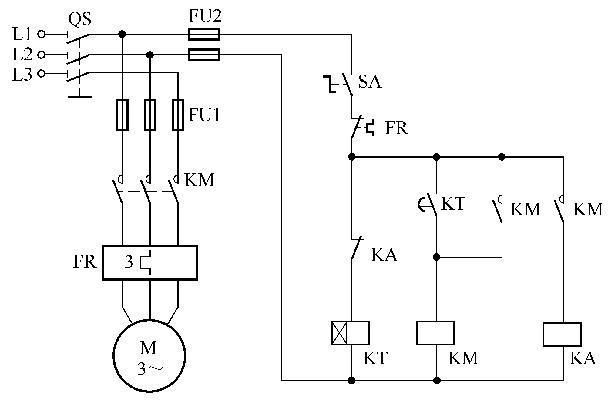
三相电机正反转控制电路图
展开全部 电机启动停止 向左转 向右
控制电机的几种控制电路原理图电动机控制电路图
45张电工常用电动机控制电路图
更多推荐
初中电动机电路图
三相电动机电路图
电动机应用
电动机的原理图初中
简易电动机电路图
电动机电路原理图
电动机工作
汽车电动机电路图
初中电动机原理示意图
电动机电路图初中物理
电动机示意图简图
电动机启动电路图
风扇电路图
电动机模型
电动机示意图简图初中
初中电动机连接实物图
电动机点动电路图
直流电动机电路图
电动机控制原理图
最简单电机控制电路图
电动机实验图
电动机简单电路原理图
电机工作原理图
电动机符号
初中物理电动机原理图
电动机电路符号
电动机电路图符号
发电机电路图
电铃电路图
电动机简图画法