首页
伤感说说
动漫配图
心情说说
抖音文案
伤感图片
伤感说说:
伤感的句子说说心情
空间说说
心情说说
爱情说说
女生伤感说说
人生感悟
心情不好的说说
说说带图片
关于生活的说说
说说心情短语
qq空间说说带图片
个性说说
励志名言
一句话经典语录
感悟人生的经典句子
短句吧
情感故事
抖音文案
伤感图片:
伤感图片带字
非主流伤感图片
唯美伤感图片
女生伤感图片
唯美意境图片
悲伤的图片
唯美意境伤感图片
只有字的伤感图片
说说图片
伤心的图片
美甲图片
图片大全
情感图片
微信头像男
动态壁纸
动漫配图
伤感图片
首页
>
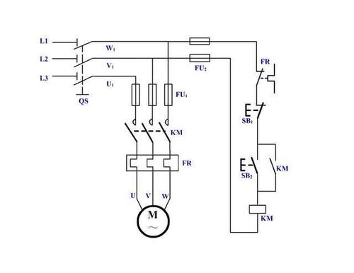
电动机点动电路图
电动机点动电路图,电动机长动电路图
用于控制电动机的启动和停止,互锁电路用于控制电动机的
三相异步电动机点动和自锁控制线路.doc 32页
一例最基础的电动机点动控制的电路图
按下去会闭合导通,线圈km得电,接触器吸合,主电路导通电动机运行
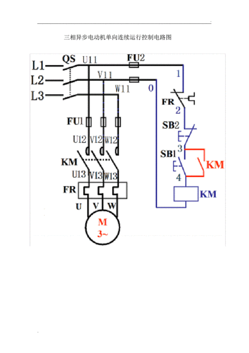
三相异步电动机单向连续运行控制电路图pdf2页
更多推荐
电动机长动电路图
电动机点动原理图
电动机点动控制电路图
电动机启动电路图
电动机电路图
电动机点动自锁电路图
电机点动控制电路图
电动机点动接线图
电动机启动停止电路图
电动机顺序启动电路图
电动机自锁电路图
电动机电路图初中
电动机电路图符号
电动机延时启动电路图
电动机点动
电动机正反转电路图
点动控制电路图
电动机点动控制接线图
点动连动控制电路图
点动控制电路图启动
电动机两地控制电路图
电动机连续运转电路图
异地控制电动机电路图
电动机启停控制电路图
电动机自锁控制电路图
自锁点动电路图
点动控制电路图接线图
电动机点动控制程序图
电路图图解
220点动控制电路图