首页
伤感说说
动漫配图
心情说说
抖音文案
伤感图片
伤感说说:
伤感的句子说说心情
空间说说
心情说说
爱情说说
女生伤感说说
人生感悟
心情不好的说说
说说带图片
关于生活的说说
说说心情短语
qq空间说说带图片
个性说说
励志名言
一句话经典语录
感悟人生的经典句子
短句吧
情感故事
抖音文案
伤感图片:
伤感图片带字
非主流伤感图片
唯美伤感图片
女生伤感图片
唯美意境图片
悲伤的图片
唯美意境伤感图片
只有字的伤感图片
说说图片
伤心的图片
美甲图片
图片大全
情感图片
微信头像男
动态壁纸
动漫配图
伤感图片
首页
>
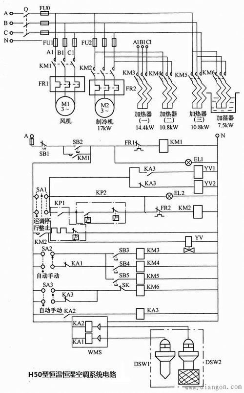
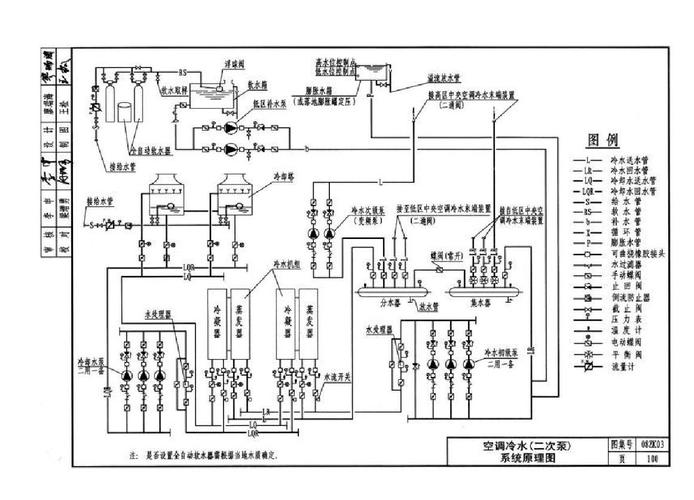
中央空调电路图
中央空调电路图,中央空调布线
中央空调(制冷工程)系统原理图集大全
风冷式中央空调系统电气控制电路图
中央空调控制电路图
中央空调,vrv系统和其它空调系统的比较
五大中央空调系统原理图解析高清详图
更多推荐
中央空调布线
中央空调放线示意图
中央空调电工怎样布线
1拖4中央空调布线图
家用中央空调接线图
中央空调电路图详解
中央空调接线图
一拖四的空调布线图
中央空调一拖三接线图
一拖三空调走线图
一拖三空调安装示意图
中央空调效果图
中央空调图片
中央空调维修
中央空调
中央空调内机
中央空调外机
中央空调设计图纸
中央空调温控器
电路图图解
美的中央空调
中央空调出风口
日立中央空调
中央空调系统
海尔中央空调
初中电路图
格力中央空调
中央空调出风口效果图
中央空调吊顶
大金中央空调