首页
伤感说说
动漫配图
心情说说
抖音文案
伤感图片
伤感说说:
伤感的句子说说心情
空间说说
心情说说
爱情说说
女生伤感说说
人生感悟
心情不好的说说
说说带图片
关于生活的说说
说说心情短语
qq空间说说带图片
个性说说
励志名言
一句话经典语录
感悟人生的经典句子
短句吧
情感故事
抖音文案
伤感图片:
伤感图片带字
非主流伤感图片
唯美伤感图片
女生伤感图片
唯美意境图片
悲伤的图片
唯美意境伤感图片
只有字的伤感图片
说说图片
伤心的图片
美甲图片
图片大全
情感图片
微信头像男
动态壁纸
动漫配图
伤感图片
首页
>
汽车电路图照明系统
汽车电路图照明系统,汽车照明系统电路图
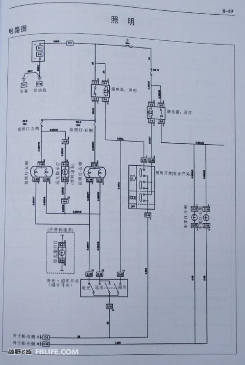
天津夏利轿车照明电路
广州本田飞度照明系统与喇叭电路图_8848汽车学苑vw.
汽车车灯的基本照明电路 各个分部的照明系统再具体说
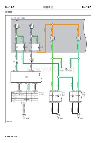
2014长安cs75全车电路图册6.4.16照明系统
原车照明电路图.jpg
更多推荐
汽车照明系统电路图
汽车启动系统电路图
汽车空调系统电路图
启动系统电路图简图
汽车起动机电路图简图
电箱系统电路图
汽车照明系统
三级箱电路图系统图
最小系统电路图
启动系统电路图
恒压供水系统电路图
汽车电控系统
桑塔纳启动系统电路图
汽车空调电路图
汽车电器系统
汽车系统故障灯图解
汽车空调的基本电路图
开关电源电路图及原理
电路图图解
汽车内部照明
汽车照明
电路图讲解和实物图
汽车行驶系统的组成图
配电箱系统图详解
配电箱系统图
LED汽车照明
汽车传动系统
照明系统
电路图
三级配电箱系统图