首页
伤感说说
动漫配图
心情说说
抖音文案
伤感图片
伤感说说:
伤感的句子说说心情
空间说说
心情说说
爱情说说
女生伤感说说
人生感悟
心情不好的说说
说说带图片
关于生活的说说
说说心情短语
qq空间说说带图片
个性说说
励志名言
一句话经典语录
感悟人生的经典句子
短句吧
情感故事
抖音文案
伤感图片:
伤感图片带字
非主流伤感图片
唯美伤感图片
女生伤感图片
唯美意境图片
悲伤的图片
唯美意境伤感图片
只有字的伤感图片
说说图片
伤心的图片
美甲图片
图片大全
情感图片
微信头像男
动态壁纸
动漫配图
伤感图片
首页
>
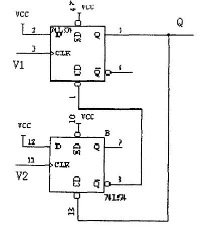
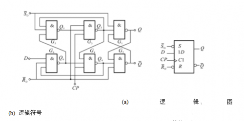
D触发器
D触发器,jk触发器真值表
边沿触发器
d触发器
d触发器
d触发器的本质及应用-电子技术方案|电路图讲解
求d触发器鉴相电路这个不能用高手来看看
更多推荐
jk触发器真值表
74ls74
t触发器
d触发器真值表
d触发器电路图
jk触发器
D触发器
rs触发器
电子触发器
d触发器功能表
D触发器电路
触发器真值表
D触发器功能表
d触发器逻辑图
斯密特触发器
D触发器真值表
触发器电路图
D触发器原理图
D触发器波形图
t触发器真值表
t触发器波形图
D触发器电路图
D触发器逻辑图
rs触发器真值表
d触发器电路原理图
d触发器波形图例题
rs触发器电路图
jk触发器电路图
D触发器波形图例题
基本rs触发器真值表