首页
伤感说说
动漫配图
心情说说
抖音文案
伤感图片
伤感说说:
伤感的句子说说心情
空间说说
心情说说
爱情说说
女生伤感说说
人生感悟
心情不好的说说
说说带图片
关于生活的说说
说说心情短语
qq空间说说带图片
个性说说
励志名言
一句话经典语录
感悟人生的经典句子
短句吧
情感故事
抖音文案
伤感图片:
伤感图片带字
非主流伤感图片
唯美伤感图片
女生伤感图片
唯美意境图片
悲伤的图片
唯美意境伤感图片
只有字的伤感图片
说说图片
伤心的图片
美甲图片
图片大全
情感图片
微信头像男
动态壁纸
动漫配图
伤感图片
首页
>
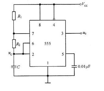
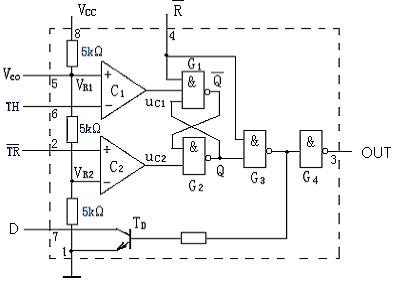
555芯片内部电路图
555芯片内部电路图,芯片内部电路图
555定时器芯片内部电路分析
555定时器芯片内部电路分析
深度解读555集成芯片的诞生及电路应用
555电路引脚图 ttl电路55 电路结构 表1 555芯片功能表
555芯片基本电路
更多推荐
芯片内部电路图
555芯片电路图
555内部结构电路图
555内部电路图及原理
6脚电源芯片电路图
7脚电源芯片电路图
电源管理芯片电路图
芯片电路图
7135芯片电路图
555芯片内部结构
22a电源板芯片电路图
六脚电源芯片5aa电路图
555电路图
555芯片引脚实物图
555芯片引脚图
ne555电路图
555电路图经典
555芯片图片
555定时器电路图
ne555电路图大全
555调速电路图
6脚电源芯片273电路图
简单555定时电路图
6脚电源芯片37r电路图
555芯片引脚图及功能
555多谐振荡器电路图
ne555最简单电路图
ne555延时电路图
6脚273芯片电路图
cm501芯片升压电路图