首页
伤感说说
动漫配图
心情说说
抖音文案
伤感图片
伤感说说:
伤感的句子说说心情
空间说说
心情说说
爱情说说
女生伤感说说
人生感悟
心情不好的说说
说说带图片
关于生活的说说
说说心情短语
qq空间说说带图片
个性说说
励志名言
一句话经典语录
感悟人生的经典句子
短句吧
情感故事
抖音文案
伤感图片:
伤感图片带字
非主流伤感图片
唯美伤感图片
女生伤感图片
唯美意境图片
悲伤的图片
唯美意境伤感图片
只有字的伤感图片
说说图片
伤心的图片
美甲图片
图片大全
情感图片
微信头像男
动态壁纸
动漫配图
伤感图片
首页
>
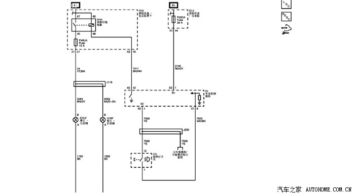
四脚雾灯继电器接线图
四脚雾灯继电器接线图,加装雾灯继电器接线图
继电器接线图/12v继电器 4脚防水通用汽车继电器
继电器和保险丝放在这个盒内
摩托车led射灯继电器线组改装线束一拖二辅助雾灯线带
《其中2个是常开触点的接线头比如1和2,那2个是继电器内部线圈的接线
雾灯继电器在哪里?
更多推荐
加装雾灯继电器接线图
汽车雾灯接线图解
四线雾灯开关接线图
雾灯开关接线图解
雾灯继电器接线图
四脚继电器接线图
四脚继电器接线方法
继电器接线图
时间继电器接线图
继电器工作原理接线图
液位继电器接线图
中间继电器接线图
4线继电器的接法图解
继电器接线口诀
时间继电器如何接线
继电器电路图
继电器线路图
雾灯控制电路图
汽车前雾灯加装接线图
雾灯电路图分析
19款宝来雾灯接线图
继电器原理图
继电器自锁电路
汽车雾灯开关线路图解
继电器施耐德电气
继电器
五菱宏光s3雾灯接线图
继电器图片
继电器工作原理
电磁继电器