首页
伤感说说
动漫配图
心情说说
抖音文案
伤感图片
伤感说说:
伤感的句子说说心情
空间说说
心情说说
爱情说说
女生伤感说说
人生感悟
心情不好的说说
说说带图片
关于生活的说说
说说心情短语
qq空间说说带图片
个性说说
励志名言
一句话经典语录
感悟人生的经典句子
短句吧
情感故事
抖音文案
伤感图片:
伤感图片带字
非主流伤感图片
唯美伤感图片
女生伤感图片
唯美意境图片
悲伤的图片
唯美意境伤感图片
只有字的伤感图片
说说图片
伤心的图片
美甲图片
图片大全
情感图片
微信头像男
动态壁纸
动漫配图
伤感图片
首页
>
柴油电喷启动电路图
柴油电喷启动电路图,电喷柴油车电路图
低排放单缸风冷柴油机的优化设计
柴油机电控系统控制方法(1)ppt
柴油汽车电喷共轨实用线束图解电路图针脚图李自广四五版维修资料
小汽车电喷式发发动机起动电路图?有的发我,急
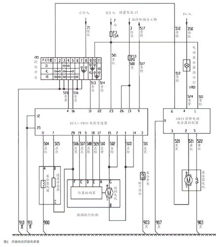
风骏电控四驱电路图如图2所示.
更多推荐
电喷柴油车电路图
柴油机电喷油泵讲解图
电喷柴油发动机图片
电喷柴油发动机线路图
潍柴电喷发动机电路图
电喷柴油发动机
柴油电喷高压泵图解
柴油电喷油泵油路图
电起动柴油机电路图
电喷柴油油泵图解
柴油机电启动接线图
柴油机改电启动接线图
柴油机电瓶启动接线图
柴油电喷车故障码图
zd25柴油发动机电路图
柴油机启动钥匙接线图
柴油电喷高压泵分解图
电喷柴油车故障灯图解
电喷柴油车指示灯图解
柴油电喷
起动机简易电路图
四轮车电启动接线图
电喷发动机工作原理图
zd25发动机电路图
柴油机马达接线图
星三角降压启动电路图
柴油机起动机线接法
电路图图解
柴油机钥匙开关接线图
电喷故障码图大全