首页
伤感说说
动漫配图
心情说说
抖音文案
伤感图片
伤感说说:
伤感的句子说说心情
空间说说
心情说说
爱情说说
女生伤感说说
人生感悟
心情不好的说说
说说带图片
关于生活的说说
说说心情短语
qq空间说说带图片
个性说说
励志名言
一句话经典语录
感悟人生的经典句子
短句吧
情感故事
抖音文案
伤感图片:
伤感图片带字
非主流伤感图片
唯美伤感图片
女生伤感图片
唯美意境图片
悲伤的图片
唯美意境伤感图片
只有字的伤感图片
说说图片
伤心的图片
美甲图片
图片大全
情感图片
微信头像男
动态壁纸
动漫配图
伤感图片
首页
>
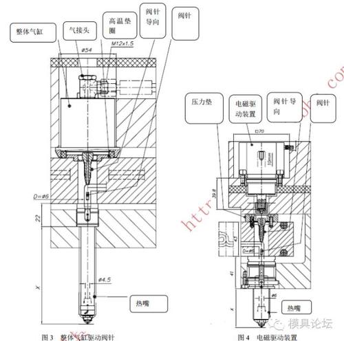
热流道阀针运动示意图
热流道阀针运动示意图,热流道针阀式进胶
兄弟五金真空镀钛热流道阀针
13@365针阀式热流道系统的应用
注塑模具热流道技术及其最新发展
热咀,针阀热咀,热咀品牌,热流道热咀,浩琛咨询热线
针阀大水口_东莞市斯麦克热流道科技有限公司
更多推荐
热流道针阀式进胶
针阀式热流道图解
针阀式热流道结构图
针阀热流道结构原理图
热流道系统结构图解
针阀式热流道
热流道工作原理图
运动示意图
热流道结构图
对掌运动示意图
开放式热流道结构图
热流道模具结构图
模具热流道24针接线图
内收外展运动示意图
屈伸运动示意图
深蹲运动正确示意图
地球运动示意图
旋内旋外运动示意图
热流道图片
热流道温控箱接线图
旋前旋后运动示意图
塑料模具热流道分解图
关节屈伸运动示意图
热流道模具图片
开放式热流道图片
注塑模具热流道图解
膝关节屈伸运动示意图
人体肌肉结构图示意图
肩关节屈伸运动示意图
热流道结构