首页
伤感说说
动漫配图
心情说说
抖音文案
伤感图片
伤感说说:
伤感的句子说说心情
空间说说
心情说说
爱情说说
女生伤感说说
人生感悟
心情不好的说说
说说带图片
关于生活的说说
说说心情短语
qq空间说说带图片
个性说说
励志名言
一句话经典语录
感悟人生的经典句子
短句吧
情感故事
抖音文案
伤感图片:
伤感图片带字
非主流伤感图片
唯美伤感图片
女生伤感图片
唯美意境图片
悲伤的图片
唯美意境伤感图片
只有字的伤感图片
说说图片
伤心的图片
美甲图片
图片大全
情感图片
微信头像男
动态壁纸
动漫配图
伤感图片
首页
>
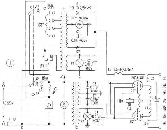
超短波治疗仪电路图
超短波治疗仪电路图,超短波治疗仪原理图
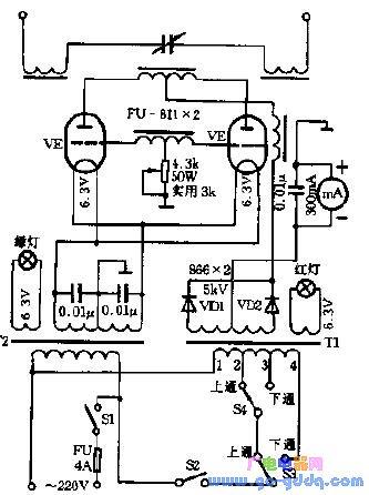
超短波电疗机电路图
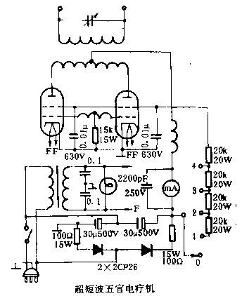
超短波五官电疗机电路
超短波治疗是采用物理治疗的仪器之一,其工作原理是采用极板形式
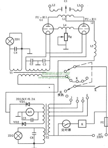
9-81型超短波电疗机电路图
超声波发生器,求指教,这个电路是怎么产生大振幅 高频
更多推荐
超短波治疗仪原理图
超短波治疗仪图片
高频超短波治疗仪
家用超短波治疗仪
超短波治疗仪
极超短波治疗仪
超短波治疗仪奔奥
医用超短波治疗仪
超短波治疗仪的作用
达佳超短波治疗仪
五官超短波治疗仪
超短波治疗图片
超短波电疗机
超声波治疗仪
电磁波治疗仪
超短波治疗
超短波治疗机
短波紫外线治疗仪
电针治疗仪
微波治疗仪
冲击波治疗仪
超短波图片
中频治疗仪
空气波压力治疗仪
红光治疗仪
低频治疗仪
神灯治疗仪
超短波
红外线治疗仪
开关电源电路图及原理