首页
伤感说说
动漫配图
心情说说
抖音文案
伤感图片
伤感说说:
伤感的句子说说心情
空间说说
心情说说
爱情说说
女生伤感说说
人生感悟
心情不好的说说
说说带图片
关于生活的说说
说说心情短语
qq空间说说带图片
个性说说
励志名言
一句话经典语录
感悟人生的经典句子
短句吧
情感故事
抖音文案
伤感图片:
伤感图片带字
非主流伤感图片
唯美伤感图片
女生伤感图片
唯美意境图片
悲伤的图片
唯美意境伤感图片
只有字的伤感图片
说说图片
伤心的图片
美甲图片
图片大全
情感图片
微信头像男
动态壁纸
动漫配图
伤感图片
首页
>
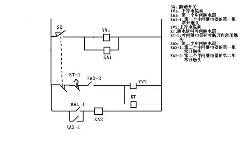
电磁阀电气符号及画法
电磁阀电气符号及画法,电磁阀符号及画法
电磁阀在电气原理图中怎么表示?
smc电磁阀符号-气动电磁阀符号-电磁阀电气符号
常用电磁阀,气缸图形符号.
绘图时如何用符号表示水泵,球阀,电磁阀等?
气动电磁阀是几位几通_电磁阀几位几通详解(示意图)
更多推荐
电磁阀符号及画法
电磁阀电气符号及字母
电磁阀符号画法
电磁阀线圈符号及画法
电磁阀电气符号和图形
电磁阀电路图符号
电磁阀电路符号
气动电磁阀符号
电磁阀符号表示法
电磁阀符号及含义详解
电磁阀符号
电磁阀图纸符号
电磁阀线圈符号表示法
电磁阀电气图
电磁阀线圈符号
电磁阀符号解释
电磁阀符号字母
电磁阀图标符号
电磁阀的cad图形符号
电工电气图纸符号大全
电气符号元器件
电气原理图画法
电气符号大全图解法
电气原理图符号大全
电气符号大全代号
电气单线图画法
液压电磁阀型号认识
电磁阀接线图及原理图
常用电气图形符号
电磁阀图例