首页
伤感说说
动漫配图
心情说说
抖音文案
伤感图片
伤感说说:
伤感的句子说说心情
空间说说
心情说说
爱情说说
女生伤感说说
人生感悟
心情不好的说说
说说带图片
关于生活的说说
说说心情短语
qq空间说说带图片
个性说说
励志名言
一句话经典语录
感悟人生的经典句子
短句吧
情感故事
抖音文案
伤感图片:
伤感图片带字
非主流伤感图片
唯美伤感图片
女生伤感图片
唯美意境图片
悲伤的图片
唯美意境伤感图片
只有字的伤感图片
说说图片
伤心的图片
美甲图片
图片大全
情感图片
微信头像男
动态壁纸
动漫配图
伤感图片
首页
>
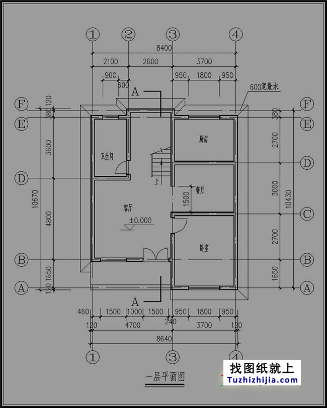
9x11乡村楼房设计图
9x11乡村楼房设计图,9x11南方农村房屋
9x11.9m豪华三层农村别墅设计图_别墅房屋设计图_建房设计图
造价:18万,湖南新农村三层别墅设计图纸,9x11米100平方米
农村90后赶紧看过来这才是适合结婚的房子9x11米现代美宅
乡村房屋改建三层房屋设计图纸,农村楼房设计图推荐
9x11米农村欧式别墅,美观大方造价低,是我们想要的没错了!
更多推荐
9x11南方农村房屋
长11米宽9米房屋设计图
9x11米农村建房设计图
9米x11米农村房设计图
三层楼房设计图农村
农村自建房设计图9x11
二层楼房设计图农村
一层楼房设计图农村
农村楼房设计图2层
三层半楼房设计图农村
楼房设计图效果图
9×11农村自建房设计图
楼房设计图全图
楼房设计图
农村房屋设计图大全
农村自建房设计图
两层楼房设计图
农村自建房设计图8x10
楼房设计图外观
农村自建房设计图16x
3层楼房设计图三层
9×11米房子设计图
二层楼房室内设计图
房屋设计图效果图
二层楼房设计图
楼房设计图三室一厅
9x12农村小别墅设计图
8x8米小楼房设计图
9米x11米自建房设计图
房屋设计图平面图