首页
伤感说说
动漫配图
心情说说
抖音文案
伤感图片
伤感说说:
伤感的句子说说心情
空间说说
心情说说
爱情说说
女生伤感说说
人生感悟
心情不好的说说
说说带图片
关于生活的说说
说说心情短语
qq空间说说带图片
个性说说
励志名言
一句话经典语录
感悟人生的经典句子
短句吧
情感故事
抖音文案
伤感图片:
伤感图片带字
非主流伤感图片
唯美伤感图片
女生伤感图片
唯美意境图片
悲伤的图片
唯美意境伤感图片
只有字的伤感图片
说说图片
伤心的图片
美甲图片
图片大全
情感图片
微信头像男
动态壁纸
动漫配图
伤感图片
首页
>
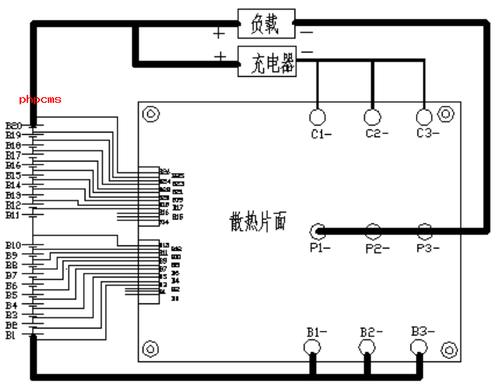
锂电池接线方法图
锂电池接线方法图,锂电池组装方法和图
锂电池保护板接线教程
锂电池保护板接线
电气参数:(锂电池3.7v)(4串)
锂电池保护板接线教程
锂电池保护板接线图
更多推荐
锂电池组装方法和图
锂电池线路连接图
电动车锂电池接线
12伏200安电池接线图
72v锂电池保护板接线图
锂电池保护板接线
电动车锂电池接线方法
锂电池正负极区分图片
锂电池串联和并联图
48v锂电池接线教程
60伏锂电池组装教程
48v锂电池保护板电路图
电动车外接锂电池图解
电动车锂电池接线图解
48v13串锂电池组装教程
锂电池保护板接线图
锂电池三线接法图
12v锂电池保护板接线图
锂电池与电动车连接图
48v锂电池接线图
48v锂电池保护板接线图
锂电池接线图
锂电池充电口接线图
锂电池充电板接线图
锂电池接线
14串48v锂电池接线图
锂电池6根线接线图
锂电池充电电路图
4并4串锂电池接线图
12v锂电池接线图