首页
伤感说说
动漫配图
心情说说
抖音文案
伤感图片
伤感说说:
伤感的句子说说心情
空间说说
心情说说
爱情说说
女生伤感说说
人生感悟
心情不好的说说
说说带图片
关于生活的说说
说说心情短语
qq空间说说带图片
个性说说
励志名言
一句话经典语录
感悟人生的经典句子
短句吧
情感故事
抖音文案
伤感图片:
伤感图片带字
非主流伤感图片
唯美伤感图片
女生伤感图片
唯美意境图片
悲伤的图片
唯美意境伤感图片
只有字的伤感图片
说说图片
伤心的图片
美甲图片
图片大全
情感图片
微信头像男
动态壁纸
动漫配图
伤感图片
首页
>
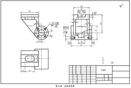
机械制图支座零件图
机械制图支座零件图,工程制图支架零件图
机械制图习题集模块十零件图支座
机械制图零件图――支座
机械制图看零件图.doc
机械制图习题集答案(陈锦昌丁川)第10章 零件图ppt
机械制图中的箱盖零件图没有尺寸标注的地方怎么画?
更多推荐
工程制图支架零件图
支座零件图绘制
机械制图支座三视图
工程制图支座零件图
机械制图支架零件图
机械制图零件图
零件图机械制图
机械制图拨叉零件图
机械制图阀体零件图
机械制图泵体零件图
机械制图零件图手绘
机械制图齿轮轴零件图
机械制图图纸
机械零件图
机械制图三视图
机械制图三视图画法
机械零件图纸大全
机械制图手工绘图
机械制图入门绘图
cad机械图纸高清零件图
机械制图手绘图
机械制图
机械制图基础
零件图三视图
机械制图简单
机械制图书
机械制图局部放大
零件图装配图
cad零件图图纸
拨叉零件图三视图