首页
伤感说说
动漫配图
心情说说
抖音文案
伤感图片
伤感说说:
伤感的句子说说心情
空间说说
心情说说
爱情说说
女生伤感说说
人生感悟
心情不好的说说
说说带图片
关于生活的说说
说说心情短语
qq空间说说带图片
个性说说
励志名言
一句话经典语录
感悟人生的经典句子
短句吧
情感故事
抖音文案
伤感图片:
伤感图片带字
非主流伤感图片
唯美伤感图片
女生伤感图片
唯美意境图片
悲伤的图片
唯美意境伤感图片
只有字的伤感图片
说说图片
伤心的图片
美甲图片
图片大全
情感图片
微信头像男
动态壁纸
动漫配图
伤感图片
首页
>
简单压力容器
简单压力容器,三年级压力容器手抄报
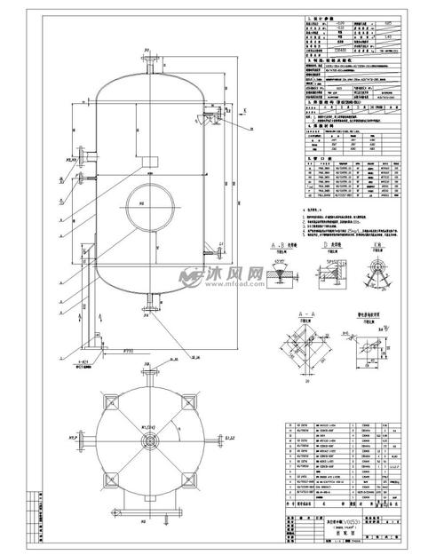
简单真空缓冲罐 - 分离压力容器图纸 - 沐风网
简单真空缓冲罐 - 分离压力容器图纸 - 沐风网
压力容器的划分方法你知道吗?
上海市奉贤设备容器厂(上海申江)
简单压力容器spvd认证
更多推荐
三年级压力容器手抄报
压力容器图片
科学压力容器手抄报
压力容器怎么画
压力容器铆工图纸教学
简单式压力容器标准
三年级压力容器
三年级科学压力容器
压力容器简笔画
压力管道
常见的压力容器画一画
压力容器高清图图纸
压力容器安全警示标志
简单压力容器压力表
画压力容器手抄报
压力容器标识牌
压力容器 卡通
安全压力容器手抄报
压力容器设计
压力容器图纸看图技巧
简单压力容器手抄报
压力容器手抄报怎么画
压力容器手抄报模板
关于压力容器的手抄报
压力容器图纸解析
移动式压力容器
安全使用压力容器
压力容器的结构
压力容器点检表
简单压力容器标识