首页
伤感说说
动漫配图
心情说说
抖音文案
伤感图片
伤感说说:
伤感的句子说说心情
空间说说
心情说说
爱情说说
女生伤感说说
人生感悟
心情不好的说说
说说带图片
关于生活的说说
说说心情短语
qq空间说说带图片
个性说说
励志名言
一句话经典语录
感悟人生的经典句子
短句吧
情感故事
抖音文案
伤感图片:
伤感图片带字
非主流伤感图片
唯美伤感图片
女生伤感图片
唯美意境图片
悲伤的图片
唯美意境伤感图片
只有字的伤感图片
说说图片
伤心的图片
美甲图片
图片大全
情感图片
微信头像男
动态壁纸
动漫配图
伤感图片
首页
>
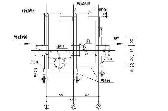
溢流井示意图
溢流井示意图,雨水溢流井
溢流井大样图
600*1000雨水渗透截污框 塑料检查井制造供应 溢流井
截流,溢流井管
分享溢流井大样图资料下载
请问溢流井和截流井的区别和图片
更多推荐
雨水溢流井
溢流井图集
溢流井大样图
溢流井图片
溢流井
溢流井施工图
溢流堰示意图
井灌井排示意图
溢流井原理
溢流井标准图集
成品溢流井
溢流井施工工艺流程
溢流井厂家
溢流堰结构图
监测井示意图
溢流口图片
尾矿库溢流井
回灌井示意图
直角溢流原理图
溢流堰图片
井灌井排示意图原理
丛式井示意图
溢流节流阀
溢流井盖
直井井身结构示意图
溢流井图集12s8-44
直角溢流设计图
雨水溢流井的构造
海绵城市溢流井
井身结构示意图