首页
伤感说说
动漫配图
心情说说
抖音文案
伤感图片
伤感说说:
伤感的句子说说心情
空间说说
心情说说
爱情说说
女生伤感说说
人生感悟
心情不好的说说
说说带图片
关于生活的说说
说说心情短语
qq空间说说带图片
个性说说
励志名言
一句话经典语录
感悟人生的经典句子
短句吧
情感故事
抖音文案
伤感图片:
伤感图片带字
非主流伤感图片
唯美伤感图片
女生伤感图片
唯美意境图片
悲伤的图片
唯美意境伤感图片
只有字的伤感图片
说说图片
伤心的图片
美甲图片
图片大全
情感图片
微信头像男
动态壁纸
动漫配图
伤感图片
首页
>
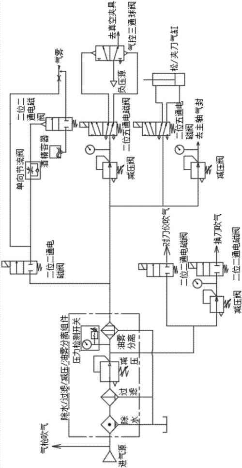
设备气路图
设备气路图,气缸气路图
数控机床上下料气路原理图
工艺制品设备的制造及其制作处理技术
半挂车制动气路原理图pdf1页
气路原理图 - 机械设备图纸 - 沐风网
> 标签:气路系统原理图
更多推荐
气缸气路图
气动马达气路图
气路图
电磁阀气路图图解
真空气路图
刹车气路图
电磁阀气路图
气路图画法
如何看懂气路图
气路图怎么画
二位五通气控阀气路图
真空发生器气路图
真空吸盘气路图
大货车气路图
沼气脱硫设备
除尘器设备
气路图符号大全
二位三通电磁阀气路图
设备
半挂车刹车气路图
空气能取暖设备
简单基础入门气路图
吸真空和破真空气路图
自动化设备
挂车三桥继动阀气路图
废水处理设备
半挂车标准的气路图
自卸车取力器气路图
烘干设备
生产流水线设备